+86-0523-83274900
John Morris Fire Slange -koppling

John Morris Fire Slange -koppling

John Morris Fire -slangkoppling kan klassificeras i två typer baserat på formen på svansröret:
1. Serrated Tail Ends Type: När den är ansluten till slangen placeras slangen över den yttre sidan av svansröret och ansluts med en Aluminiumringkomprimeringsmetod.
2. Ribbad svansändar Typ: När den är ansluten till slangen placeras slangen över den yttre sidan av svansröret och ansluten med en trådbindningsmetod.

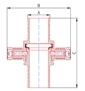
Mått Resurser

Objekt nr.

Din/mm

Dia

A/mm

B/mm

C/mm

Dn

40

1,5 "

38

136

153

65/40

2.5 "/1.5"

38

182

201

65/45

2.5 "/1.75"

44

182

201

65/50

2,5 "/2"

51

182

201

65

2.5 "

63.5

180

200

150

6 "

152

297

351

* Material och tillverkningsprocesser kan anpassas på begäran.
* Andra krav (t.ex. arbetstryck, sprängtryck, etc.) kan också anpassas efter behov.

Jiangsu Jinding Fire Protection Technology Co., Ltd.
Jiangsu Jinding Fire Protection Technology Co., Ltd., belägen i Jiang Su Xinghua Economic Development Zone, grundades 1998. Det är ett industriföretag som integrerar design, utveckling, produktion och försäljning. Företaget har godkänt ISO9001: 2015 -certifiering av kvalitetssystem och frivillig certifiering av produkten, och de relaterade produkterna har erhållit inspektionsrapporten från National Fire Equipment Kvalitet Supervision and Inspection Center.
Vi tillverkar huvudsakligen flera produktserier, inklusive brandbekämpningskopplingar, vattenmunstycken, brandposter, rörkopplingar med stor diameter och kopplingar för oljefältsvattenförsörjning. Dessa produkter används ofta inom brandskydd, petroleum, kemi, militär och andra industrier..
Företaget har god oberoende FoU -kapacitet och har en komplett uppsättning produktionsprocesser såsom mögeltillverkning, produktionsbehandling och produkttestning. Samtidigt fäster företaget betydelsen av kundernas krav, i rätt tid tar tag i marknadsdynamiken, utvecklar och producerar kontinuerligt nya produkter och vinner förtroende och beröm för nya och gamla kunder.
Företaget levererar pålitliga John Morris Fire Slange -koppling och professionella tjänster baserade på kvalitetsengagemang och samarbetspartnerskap, i strävan att bygga hållbara samarbetsrelationer med kunder.
27+

27 års bransch Tillverkningsupplevelse

Certifikat
Nybörjare
Låt oss ha en konversation
Säg bara hej så startar vi ett fruktbart samarbete. Starta din egen framgångshistoria.
Behöver du utrustning för ditt företag?
Låt vårt team ge dig anpassade lösningar.