+86-0523-83274900
Storz Adapter -kopplingar - flänsade
Hem / Produkt / Adapter / Storz Adapter -kopplingar - flänsade

Storz Adapter -kopplingar - flänsade

Adapterkopplingar används för att ansluta eller konvertera mellan olika standarder och typer av beslag. De tillåter annars inkompatibla gränssnitt anslutna till varandra sömlöst.

Adapterkopplingar inkluderar, men är inte begränsade till: Tyska till Storz (man/kvinna), tyska till skogsbruk, tyska till tyska självlåsande, tyska till fläns, tyska till multitand, storz manlig till storz kvinna, storz till skogsbruk, etc.
Alla typer av adapterkopplingar kan anpassas på begäran.

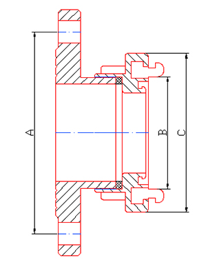
Mått Resurser

Objekt nr.

Din/mm

Dia

A/mm

B/mm

C/mm

/

80

3 "

160

89

126

Liten100

4 "

180

115

156

Liten 100 (American Standard)

4 "

190.5

115

156

Big 100

4 "

180

133

182

Big 100 (American Standard)

4 "

190.5

133

182

150

6 "

240

160

215

150 (American Standard)

6 "

241.3

160

215

200

8 "

295

220

280

200 (American Standard)

8 "

298.5

220

280

250

10 "

355

278

339

250 (American Standard)

10 "

362

278

339

300

12 "

410

316

384

300 (American Standard)

12 "

431.8

316

384

350

14 "

470

366

448

350 (American Standard)

14 "

476.3

366

448

* Material och tillverkningsprocesser kan anpassas på begäran.
* Andra krav (t.ex. arbetstryck, sprängtryck, etc.) kan också anpassas efter behov.

Jiangsu Jinding Fire Protection Technology Co., Ltd.
Jiangsu Jinding Fire Protection Technology Co., Ltd., belägen i Jiang Su Xinghua Economic Development Zone, grundades 1998. Det är ett industriföretag som integrerar design, utveckling, produktion och försäljning. Företaget har godkänt ISO9001: 2015 -certifiering av kvalitetssystem och frivillig certifiering av produkten, och de relaterade produkterna har erhållit inspektionsrapporten från National Fire Equipment Kvalitet Supervision and Inspection Center.
Vi tillverkar huvudsakligen flera produktserier, inklusive brandbekämpningskopplingar, vattenmunstycken, brandposter, rörkopplingar med stor diameter och kopplingar för oljefältsvattenförsörjning. Dessa produkter används ofta inom brandskydd, petroleum, kemi, militär och andra industrier..
Företaget har god oberoende FoU -kapacitet och har en komplett uppsättning produktionsprocesser såsom mögeltillverkning, produktionsbehandling och produkttestning. Samtidigt fäster företaget betydelsen av kundernas krav, i rätt tid tar tag i marknadsdynamiken, utvecklar och producerar kontinuerligt nya produkter och vinner förtroende och beröm för nya och gamla kunder.
Företaget levererar pålitliga Storz Adapter -kopplingar - flänsade och professionella tjänster baserade på kvalitetsengagemang och samarbetspartnerskap, i strävan att bygga hållbara samarbetsrelationer med kunder.
27+

27 års bransch Tillverkningsupplevelse

Certifikat
Nybörjare
Låt oss ha en konversation
Säg bara hej så startar vi ett fruktbart samarbete. Starta din egen framgångshistoria.
Behöver du utrustning för ditt företag?
Låt vårt team ge dig anpassade lösningar.